受邀者注册
登录
论坛
搜索
帮助
邀请码
关于我们
疾控家园
»
传染病控制
» 英国:爆发“艰难梭菌”感染
返回列表
发帖
英国:爆发“艰难梭菌”感染
灵泉居士
发短消息
加为好友
灵泉居士
当前离线
UID
8653
帖子
500
精华
3
积分
17260
阅读权限
150
在线时间
21 小时
注册时间
2005-3-28
最后登录
2014-8-23
疾控评论员
1
#
跳转到
»
倒序看帖
打印
字体大小:
t
T
发表于 2005-9-6 14:47
|
只看该作者
英国:爆发“艰难梭菌”感染
英国
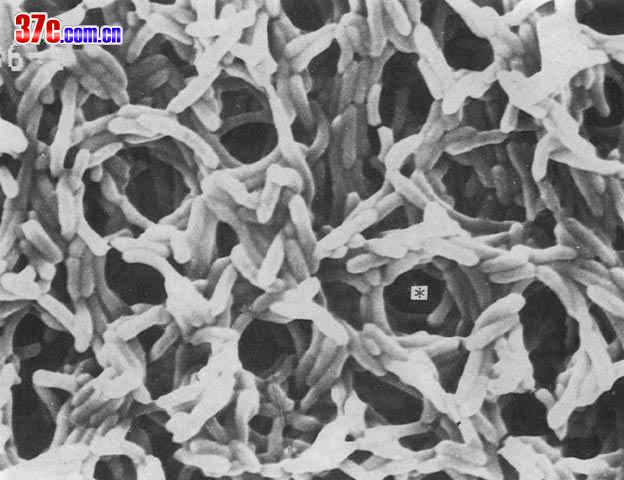
CCTV-2今天中午12:00报道:英国暴发艰难梭菌感染,有近5万人发病。(艰难梭菌的电镜图)
下载
(45.07 KB)
英国:爆发“艰难梭菌”感染
2005-9-6 14:53
收藏
分享
能明心即是修佛,既见性何须参禅。
返回列表
流感大流行应对
肺结核
疾控2025
热点讨论
国家基本公共卫生服务
学习进修就业园地
专题
疾控信息化
绩效考核
突发公共卫生事件应急管理
疾病控制
传染病控制
新型冠状病毒肺炎
肺结核
性病与艾滋病
流感大流行应对
公众健康
慢病与伤害
卫生检验
健康教育促进
疾控机构建设与管理
卫生法律法规
生活庭院
雨花阁
电脑房
精品厅堂
家园管理
管理事务
家园发展研讨房
[收藏此主题]
[关注此主题的新回复]
[通过 QQ、MSN 分享给朋友]