
标题: 英国:爆发“艰难梭菌”感染 [打印本页]
作者: 灵泉居士 时间: 2005-9-6 14:47 标题: 英国:爆发“艰难梭菌”感染
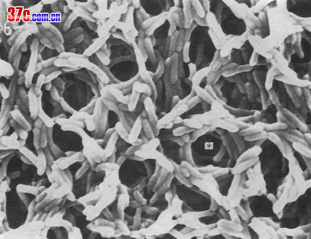
CCTV-2今天中午12:00报道:英国暴发艰难梭菌感染,有近5万人发病。(艰难梭菌的电镜图)
图片附件: [英国:爆发“艰难梭菌”感染] ZazqpxWs.jpg (2005-9-6 14:53, 45.07 KB) / 下载次数 455
http://cdcman.s1.288idc.com/attachment.php?aid=501&k=8488452c88f06844fd9b19a7aab084f6&t=1770989363&sid=5KJEjA

| 欢迎光临 疾控家园 (http://cdcman.s1.288idc.com/) |
Powered by Discuz! 7.2 |